Product Description
|
Module No.: |
HP12864-01-KSWG20P096 |
|
Structure: |
COG |
|
Screen Size: |
0.96 inch |
|
Number of Dots: |
128 x 64 |
|
Color: |
Monochrome (White) |
|
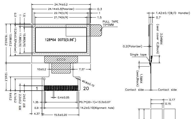
Module Size: |
24.74 x 16.90 x 1.42 mm |
|
Viewing Area: |
22.74 x 11.86 mm |
|
Active Area: |
21.74 x 10.86 mm |
|
Driver IC: |
SSD1315Z |
|
Interface: |
I2C// 3/4-wire SPI |
|
Connector: |
FPC |
|
Pin Number: |
20 |
|
Operating Temperature: |
-40~+70℃ |
|
Storage Temperature: |
-40~+85℃ |
Interface Pin Description
| PIN | SYMBOL | PIN | SYMBOL | PIN | SYMBOL | PIN | SYMBOL |
| 1 | C2N | 6 | VCC | 11 | CS# | 16 | D2 |
| 2 | C2P | 7 | VSS | 12 | RES# | 17 | IREF |
| 3 | C1P | 8 | VDD | 13 | D/C# | 18 | VCOMH |
| 4 | C1N | 9 | BS0 | 14 | D0 | 19 | VCC |
| 5 | VBAT | 10 | BS1 | 15 | D1 | 20 | VLSS |
Mechanical Diagram
More other product show
FAQ
Lead time is usually punctual here,usually 1-3 days for sample,7-30 days for mass production.For some special situation, we can also advise customer in advance to avoid any accident or loss at customer side.
We will test every product before shipment.Due to there’s many steps to LCD production, we usually do inspection after every step.
With Inner vacuum package and out carton.
This is depend on customer, sometimes we ship through our forwarder,who is also the agency of DHL,TNT,UPS,FedEx and so on. Our forwarder can provide too much better freight cost than we get directly from those express enterprise.
Our ability is average 1KK per month.
Yes, we can copy based on your sample.
We have no limitation on MOQ, prototype, medium volume and large volume are all acceptable.
Any customer’s file will be protected very well here in our factory and we will not let any third party know.We can sign NDA with you.
Production Advantages
HUA XIAN JING
Sitemap
中文
CONTACT NOW
Download




