Product Description
TFT015H017 – a game changer in the field of display components. With its 1.54-inch IPS TFT LCD display, this product brings a whole new level of visual clarity to your projects. With a resolution of 240×240 pixels, the TFT015H017 displays sharp and detailed images in every image. Whether you are designing a smart watch, wearable or any other portable gadget, this component guarantees an immersive visual experience like never before.
| No. | Item | Specification | Unit |
| 1 | Model Number | TFT015HT017 | - |
| 2 | LCD Size | 1.54 | inch |
| 3 | Panel Type | IPS | - |
| 4 | Pin Number | 24 | - |
| 5 | Resolution | 240RGBx240 | - |
| 6 | Viewing Direction | ALL | - |
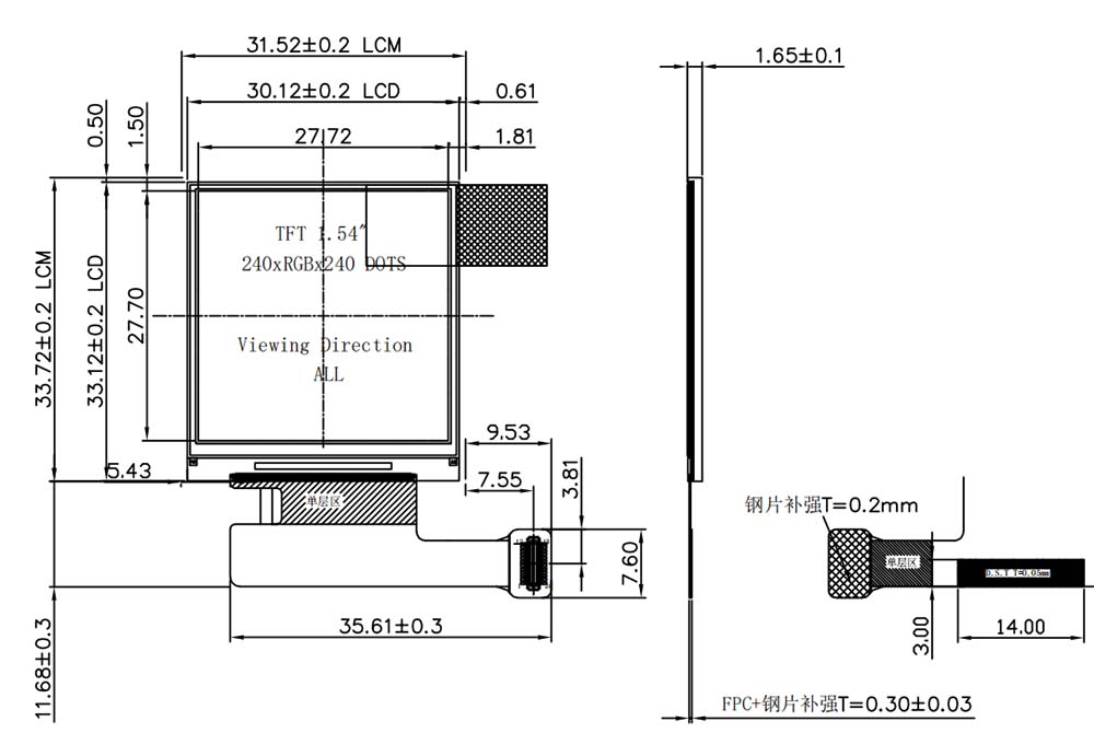
| 7 | Module Size | 31.52(H)x33.72(V)x1.65(D) | mm |
| 8 | Panel Active Area | 27.72×27.7 | mm |
| 9 | Luminance | 250 | - |
| 10 | Interface | MCU | - |
| 11 | Driver IC | ST7789V | - |
| 12 | Operating Temperature | -20~+70 | ℃ |
| 13 | Storage Temperature | -30~+80 | ℃ |
With IPS technology, the display unit offers wide viewing angles, allowing users to enjoy crystal-clear displays from any angle. Stunning color reproduction ensures that every hue is accurately depicted, creating mesmerizingly realistic visuals. Compact and powerful, the TFT015H017 has a sleek design that fits seamlessly into any project. This display assembly is ideal for space-constrained applications where a high-quality display is critical.
Mechanical Diagram
The TFT015H017 is powered by the efficient and reliable IC ST7789V, ensuring seamless performance and easy integration with its MCU interface. Experience smooth transitions and lightning-fast responsiveness, making it ideal for demanding applications. But it's not just about performance - the TFT015H017 also has excellent visual capabilities.
Revolutionize your products with the TFT015H017 and open up a whole new world of visual excellence. Upgrade to this 1.54 inch IPS TFT LCD monitor with 240x240 pixel resolution powered by ST7789V IC and MCU interface. Don't settle for less - choose the TFT015H017 and make your vision brighter than ever.
HXJ TFT LCD Series
1. Our standard TFT LCD size:
0.9", 0.96”, 1.06”, 1.14”, 1.28”(round), 1.3", 1.32”(round), 1.38”(round), 1.44", 1.54", 1.77", 2.0", 2.31", 2.36”, 2.4", 2.76”(round), 2.8", 3.2", 3.5", 3.97”, 4"(round), 4.3", 4.5”, 5", 5.5”, 6.86”, 7", 9.35", 10.1".
2. Developed 4.0''(3.97'') LCD module with IPS glass.
4. Standard CTP for 3.2'', 3.5'', 4.3", 5.0", 7'', 8", 10.1".
5. High transmittance RTP for 4.3" and 7".
6. Can make customized CTP.
Production Advantages
HUA XIAN JING
Sitemap
中文
CONTACT NOW
Download




